菜單產品中心Product center
熱門產品
您的位置:首頁 > 超聲波流量計 → 聯測_SIN-2000H手持式超聲波流量計__手持式_便攜式_不破管_
產品說明
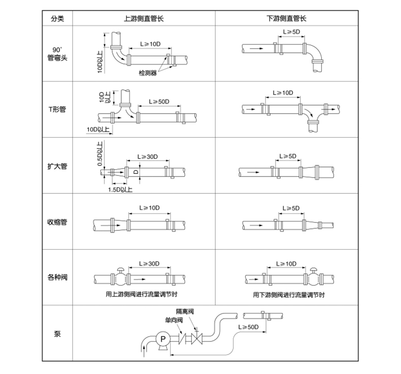
工作原理
外夾式或者管段式超聲波流量儀表是以"速度差法"為原理,測量圓管內液體流量的儀表。它采用了先進的多脈沖技術、信號數字化處理技術及糾錯技術,使流量儀表更能適應工業現場的環境,計量更方便、經濟、準確。產品達到國內外先進水平,可廣泛應用于石油、化工、冶金、電力、給排水等領域。
備注

























溫馨提示:本產品適用于非防爆場合,如需防爆產品需特殊注明















